水位传感器

产品中心

优利威连续调频雷达物位计USRL-80G系列


优利威连续调频雷达物位计USRL-80G系列
介绍: 概况USRL-80G系列产品通过透镜发射接收电磁波的工作方式,最大量程120m,盲区8cm,在高粉尘

图片

概况

USRL-80G系列产品通过透镜发射接收电磁波的工作方式,最大量程120m,盲区8cm,在高粉尘,恶劣温度环境下(+200℃)具有独特的优势。工作频率更高,波长更短,尤其适合固体应用,支持四线制和两线制应用。支持手机蓝牙调试,远程调试与远程升级,提供法兰或者螺纹的固定方式。

特点

支持四线制和两线制应用
更高的信噪比,更小的盲区
工作频率更高,波长更短
更高的测量分辨率与测量精度
支持远程调试、远程升级与手机蓝牙调试
安装便捷简易

图片图片


应用

可广泛适用于石化、电力、水泥、冶金、煤炭等行业有罐体的场景。

图片

参数

发射频率:76GHz~81GHz
测量范围:0.3 m~ 60m;0.08 m~30m;0.6 m~120m;0.08 m~10m
测量精度:±1mm
测量间隔:最快 100ms
波束角:3°/8°/20°
使用介电常数范围:>=2
供电范围:12~28.0VDC
通讯方式:MODBUS总线,HART
信号输出:4~20mA 或 RS-485
故障输出:3.8mA ,4mA ,20mA ,21mA ,保持
现场操作/编程:128×64 点阵显示屏/4按键,可配置上位机设置软件
工业温度/湿度:T0:-40~85℃/≤95%RH;T1:-40~200℃;T2:-40~500℃;T3:-40~1000℃
外壳材质:铝合金、不锈钢
过程连接类型:管螺纹/万向法兰/防腐法兰/卫生卡盘/石英隔离法兰
过程压力:-0.1~2MPa
产品尺寸:Ø100*270mm
电缆入口:M 20*1.5
推荐线缆:AWG18 或 0.75mm²
防护等级 IP67
防爆等级:ExdiaIICT6
安装方式:螺纹或法兰
净重/毛重量:2.480Kg/2.995Kg

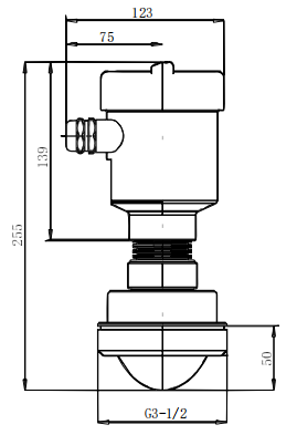
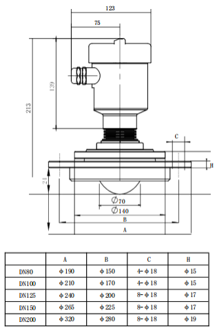
尺寸

图片

管螺纹过程连接高温结构尺寸示意图

图片

万向法兰高温结构尺寸示意图

安装应用

图片

天线波束避开进料口

图片

锥形罐尽量保证波束直射罐底

优利威(UNIVO)专业提供各种基础传感器,包括位移、压力、液位、力、称重、扭矩、角度、倾角、水平仪、温度、温湿度、速度、气体检测传感器等;以及特殊环境应用类产品,包括氢系统应用的压力传感器、氢泄漏检测传感器、核电系统应用的位移传感器、压力、转速传感器等。欢迎来电咨询010-51294688,并关注公众号:优利威。


产品选型

Macro Sensors 马克罗位移传感器产品介绍

——

Rieker瑞可倾角传感器

Rieker 创建于1917年,专注于为客户提供角度测量解决方案,Rieker设计的角度测量产品广泛应用于全...

关闭